Технические данные радиатора zehnder kleo.
Zehnder kleo KLH.
H = монтажная высота без подключений [мм].
X = расстояние между секциями 33 мм.
A = площадь поверхности [м2].
V = содержание воды [л].
M = вес без воды [кг].
sk = доля излучения [%].
qms = нормальный поток воды [кг/ч].
n = экспонент.
20 мм. трубы начиная с высоты 180 см снабжаются с задней стороны вертикально приваренными металлическими усилителями.
Размеры подключений: 3/8”, 1/2”, 3/4”.
H1 = если втулка в оси коллектора = H + 2 х 9,0 мм, в остальных случаях H1 = H + 2 х 6,5 мм.
Длины и высоты
Длина (L): 500 – 3000 мм. стандартное исполнение:
шаг 100 мм,
шаг 50 мм – по запросу.
Высота (H) при следующих длинах:

Технические данные на 1 погонный метр (монтажная глубина 55 мм):



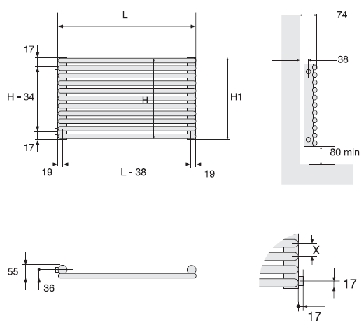
Zehnder kleo KLHD.

H = монтажная высота без подключений [мм].
X = расстояние между секциями 33 мм.
A = площадь поверхности [м2].
V = содержание воды [л].
M = вес без воды [кг].
sk = доля излучения [%].
qms = нормальный поток воды [кг/ч].
n = экспонент.
20 мм трубы начиная с высоты 180 см снабжаются с задней стороны вертикально приваренными металлическими усилителями.
Размеры подключений: 3/8”, 1/2”, 3/4”.
H1 = если втулка в оси коллектора = H + 2 х 9,0 мм, в остальных случаях H1 = H + 2 х 6,5 мм.
Длина (L): 500 – 3000 мм. стандартное исполнение:
шаг 100 мм,
шаг 50 мм – по запросу.
Высота (H) при следующих длинах:

Технические данные на 1 погонный метр (монтажная глубина 72 мм):



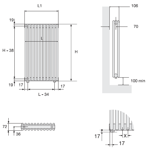
Zehnder kleo KLV.

H = монтажная высота [мм].
L = монтажная длина без подключений [мм].
N = межосевое расстояние H – 38 мм.
X = расстояние между секциями 33 мм.
A = площадь поверхности [м2].
V = содержание воды [л].
M = вес без воды [кг].
sk = доля излучения [%].
qms = нормальный поток воды [кг/ч].
n = экспонент.
20 мм трубы начиная с высоты 180 см снабжаются с задней стороны вертикально приваренными металлическими усилителями.
Размеры подключений: 3/8”, 1/2”, 3/4”.
L1 = если втулка в оси коллектора = L + 2 х 9,0 мм, в остальных случаях L1 = L + 2 х 6,5 мм.
Высота (Н): 500 – 3000 мм стандартное исполнение:
шаг 100 мм,
шаг 50 мм – по запросу
Длина (L) при следующих монтажных высотах:

Технические данные одного элемента (монтажная глубина 55 мм):

Zehnder kleo KLVD.

H = монтажная высота [мм].
L = монтажная длина без подключений [мм].
N = межосевое расстояние H – 38 мм.
X = расстояние между секциями 33 мм.
A = площадь поверхности [м2].
V = содержание воды [л].
M = вес без воды [кг].
sk = доля излучения [%].
qms = нормальный поток воды [кг/ч].
n = экспонент.
20 мм трубы начиная с высоты 180 см снабжаются с задней стороны вертикально приваренными металлическими усилителями.
Размеры подключений: 3/8”, 1/2”, 3/4”.
L1 = если втулка в оси коллектора = L + 2 х 9,0 мм, в остальных случаях L1 = L + 2 х 6,5 мм.
Высота (Н): 500 – 3000 мм стандартное исполнение:
шаг 100 мм,
шаг 50 мм – по запросу.
Длина (L) при следующих монтажных высотах:

Технические данные одного элемента (монтажная глубина 72 мм):